Kategorie
Značky
    Blog
      Produkty
      Nenalezeny žádné produkty.

      Menu
      Stránky
      0
      Porovnat

      4čelisťové sklíčidlo Bernardo PS4-500, DIN 6350, litinové (BER212006F)

      4čelisťové sklíčidlo Bernardo PS4-500, DIN 6350, litinové (BER212006F)

      Bernardo
      E-shop: BER212006F
      Katalog: 21-2006F
      EAN: 9009468022198
      Standard-4-čel.sklíčidlo,PS4-500, litina,DIN 6350
      Není skladem (0 KS)
      Hlídat dostupnostDotaz/Poptat
      98 469,80 Kč
      81 380,00 Kč bez DPH
      Stáhnout

      4čelisťové sklíčidlo Bernardo PS4-500, DIN 6350, litinové (BER212006F)

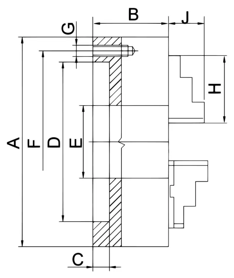
      • Rozměr A - velikost sklíčidla [mm]: 500
      • Rozměr B [mm]: 120
      • Rozměr C [mm]: 5
      • Rozměr D [mm]: 420
      • Rozměr E [mm]: 190
      • Rozměr F [mm]: 458
      • Rozměr G [mm]: M 16
      • Rozměr H [mm]: 180
      • Rozměr J [mm]: 60
      • Maximální otáčky [U.min-1]: 700
      • Hmotnost [kg]: 145

      Čtyřčelisťové sklíčidlo Bernardo, litinové, DIN 6350

      • Standardní čtyřčelisťové sklíčidlo soustruhu z vysoce kvalitní litiny
      • Se středícím upnutím podle DIN 6350
      • Pro použití na strojích s nízkou házivostí
      • Vhodné pro soustruhy, brusky a frézovací přípravky
      • K upínání pravoúhlých a kruhových obrobků

      Součásti dodávky sklíčidla Bernardo

      • 1 sada vnitřních čelistí IJ-S4
      • 1 sada vnějších čelistí OJ-S4

      Videa

      {common|4|manuals}

      {common|4|productList}

      Katalogy

      Bernardo - Kovoobrábění (CZ)
      Bernardo - Vrtačky (CZ)
      Bernardo - Magnetické vrtačky (CZ)
      Bernardo - Závitořezné vrtačky (CZ)
      Bernardo - Vrtačky (CZ)
      Bernardo - Vrtačko-frézky (CZ)
      Bernardo - Soustruhy (CZ)
      Bernardo - Pásové a katoučové pily (CZ)
      Bernardo - Brusky (CZ)
      Bernardo - Soustruhy na dřevo (DE)
      Bernardo - Soustruhy (CZ)
      Bernardo - Brusky (CZ)
      Bernardo - Vrtačko-frézky (CZ)
      Bernardo - Pásové a kotoučové pily (CZ)
      Akce 14. 10.2020 - 31. 12.2020
      Bernardo - Magnetické vrtačky (CZ)
      Bernardo - Závitořezné vrtačky (CZ)
      Bernardo - Vrtačky (CZ)
      Bernardo - Vrtačko-frézky (CZ)
      Bernardo - Soustruhy (CZ)
      Bernardo - Pásové a kotoučové pily (CZ)
      Bernardo - Brusky
      Bernardo - předsavení společnosti (EN)
      Bernardo - Magnetické vrtačky (EN)
      Bernardo - Závitníky (EN)
      Bernardo - Vrtačky (EN)
      Bernardo - Vrtací a frézovací stroje (EN)
      Bernardo - Soustruhy (EN)
      Bernardo - Pásové pily (EN)
      Bernardo - Brusky (EN)
      Bernardo - Hoblovací stroje (EN)
      Bernardo - Pily (EN)
      Bernardo - Frézky (EN)
      Bernardo - Kombinované stroje (EN)
      Bernardo - Vrtací, víceúčelové vyvrtávací a dlabací stroje (EN)
      Bernardo - Soustruhy na dřevo (EN)
      Bernardo - Pásové pily na dřevo (EN)
      Bernardo - Brusky (EN)
      Bernardo - Lapače prachu (EN)
      Bernardo - Podavače (EN)
      Bernardo - Ohýbačky hran (EN)
      Bernardo - Štípačky na dřevo (EN)
      Bernardo - Pracovní stoly (EN)
      Bernardo - Stolní vrézky, stojany a příslušenství - různé (EN)
      Bernardo - Zpracování plechů (EN)
      Bernardo - Soustružnická sklíčidla a příslušenství (EN)
      Bernardo - Bezpečnostní prvky (EN)

      Dokumenty

      Ostatní

      Produkt doposud nikdo nehodnotil.

      Souhlas se zpracováním osobních údajů je povinné pole

      Zavřít

      Hodnocení odeslané

      Po schválení obsahu bude zobrazeno u produktu.

      Požadavek nemůže být momentálně odeslán. Zkuste to znovu později.
      Chcete nám něco sdělit o našich produktech nebo e-shopu? Neváhejte napsat.
      Zpráva byla odeslána

      Košík obsahuje nepovolené položky

      Košík je prázdný

      Soubor stažen