Kategorie
Značky
    Blog
      Produkty
      Nenalezeny žádné produkty.

      Menu
      Stránky
      0
      Porovnat

      4-čelisťové sklíčidlo ø 100 mm, sada 2*

      4-čelisťové sklíčidlo ø 100 mm, sada 2*

      HOLZSTAR
      E-shop: BOW5931023
      Katalog: 5931023
      EAN: 4036351017035
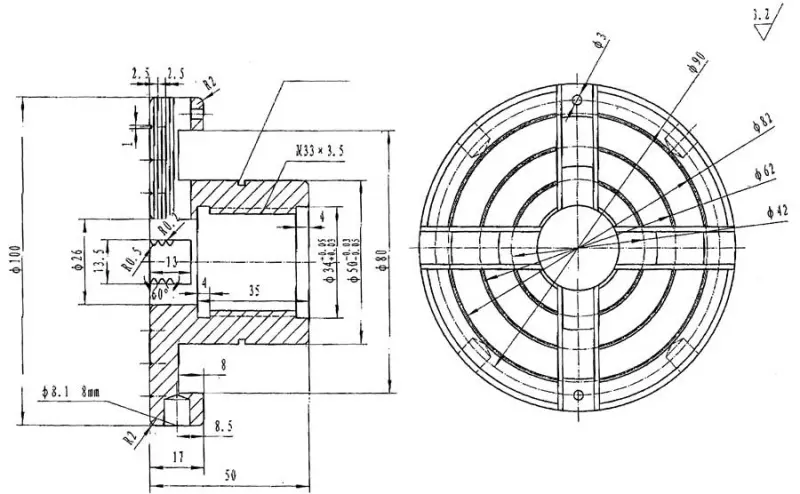
      Soustružení, soustruhy na dřevo - sklíčidlo 100 mm Sklíčidlo (soustředné) pro upínací průměry - mm Určeno pro soustruh na dřevo DB 900, DB 1100 a DB 1200
      Skladem (1 KS)

      Dotaz/Poptat
      2 237,29 Kč
      1 849,00 Kč bez DPH
      Stáhnout

      4-čelisťové sklíčidlo ø 100 mm, sada 2*

       

      Soustružení, soustruhy na dřevo - sklíčidlo pr. 100 mm sešrouby a výměnnými čelistmi

      Čtyřčelisťové sklíčidlo (soustředné) pr. 100mm
      Určeno pro soustruh na dřevo DB 900, DB 1100 a DB 1200

      • Připojovací rozměr (Závit vřetene): M 33 x3,5
      • Sada 2 - se šrouby a výměnnými čelistmi.
      Produkt doposud nikdo nehodnotil.

      Souhlas se zpracováním osobních údajů je povinné pole

      Zavřít

      Hodnocení odeslané

      Po schválení obsahu bude zobrazeno u produktu.

      Požadavek nemůže být momentálně odeslán. Zkuste to znovu později.
      Chcete nám něco sdělit o našich produktech nebo e-shopu? Neváhejte napsat.
      Zpráva byla odeslána

      Košík obsahuje nepovolené položky

      Košík je prázdný

      Soubor stažen