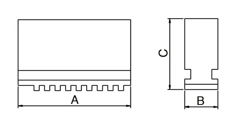
Měkké monoblokové čelisti Bernardo DSJ-DK11-500 (BER210858) umožňují přesné upnutí obrobků a jsou vhodné pro soustružnické sklíčidlo o průměru 500 mm. Robustní provedení zajišťuje dlouhou životnost při opakovaném použití.
Soubory cookie používáme ke shromažďování a analýze informací o výkonu a používání webu, zajištění fungování funkcí ze sociálních médií a ke zlepšení a přizpůsobení obsahu a reklam.
Soubory cookie používáme ke shromažďování a analýze informací o výkonu a používání webu, zajištění fungování funkcí ze sociálních médií a ke zlepšení a přizpůsobení obsahu a reklam.
Pro zobrazení tohoto obsahu potřebujeme váš souhlas!
Tento obsah může shromažďovat údaje o vašich aktivitách. Pokud si přejete zobrazit obsah je potřeba vyjádřit souhlas.