Kategorie
Značky
    Blog
      Produkty
      Nenalezeny žádné produkty.

      Menu
      Stránky
      0
      Porovnat

      3čelisťové sklíčidlo Bernardo Standard DK11-125, DIN 6350, litinové (BER210752)

      3čelisťové sklíčidlo Bernardo Standard DK11-125, DIN 6350, litinové (BER210752)

      Bernardo
      E-shop: BER210752
      Katalog: 21-0752
      EAN: 9009468018412
      Litinové 3čelisťové sklíčidlo Bernardo Standard DK11-125 podle DIN 6350 umožňuje přesné upnutí obrobků do průměru 125 mm pro soustružnické práce. Robustní konstrukce zajišťuje dlouhou životnost a stabilitu při obrábění.
      Skladem (1 KS)
      Dotaz/Poptat
      4 152,72 Kč
      3 432,00 Kč bez DPH
      Stáhnout

      3čelisťové sklíčidlo Bernardo Standard DK11-125, DIN 6350, litinové (BER210752)

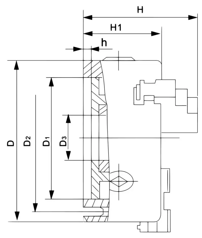
      • Průměr [mm]: 125
      • D1 [mm]: 95
      • D2 [mm]: 108
      • D3 [mm]: 30
      • H [mm]: 84,5
      • H1 [mm]: 58
      • h [mm]: 4
      • Z-d: 3-M8
      • Maximální otáčky [U.min-1]: 3 000

      Sklíčidlo Bernardo 3čelisťové Standard DK11, DIN 6350, litina

      Součásti dodávky sklíčidla Bernardo

      • 1 sada = 3 otočné čelisti s vnitřním odstupňováním
      • 1 sada = 3 vrtané čelisti s vnějším odstupňováním
      • 1 upínací klička a příslušné upevňovací šrouby nebo čepy dle druhu sklíčidla

      Videa

      {common|4|manuals}

      {common|4|productList}

      Katalogy

      Bernardo - Kovoobrábění (CZ)
      Bernardo - Vrtačky (CZ)
      Bernardo - Magnetické vrtačky (CZ)
      Bernardo - Závitořezné vrtačky (CZ)
      Bernardo - Vrtačky (CZ)
      Bernardo - Vrtačko-frézky (CZ)
      Bernardo - Soustruhy (CZ)
      Bernardo - Pásové a katoučové pily (CZ)
      Bernardo - Brusky (CZ)
      Bernardo - Soustruhy na dřevo (DE)
      Bernardo - Soustruhy (CZ)
      Bernardo - Brusky (CZ)
      Bernardo - Vrtačko-frézky (CZ)
      Bernardo - Pásové a kotoučové pily (CZ)
      Akce 14. 10.2020 - 31. 12.2020
      Bernardo - Magnetické vrtačky (CZ)
      Bernardo - Závitořezné vrtačky (CZ)
      Bernardo - Vrtačky (CZ)
      Bernardo - Vrtačko-frézky (CZ)
      Bernardo - Soustruhy (CZ)
      Bernardo - Pásové a kotoučové pily (CZ)
      Bernardo - Brusky
      Bernardo - předsavení společnosti (EN)
      Bernardo - Magnetické vrtačky (EN)
      Bernardo - Závitníky (EN)
      Bernardo - Vrtačky (EN)
      Bernardo - Vrtací a frézovací stroje (EN)
      Bernardo - Soustruhy (EN)
      Bernardo - Pásové pily (EN)
      Bernardo - Brusky (EN)
      Bernardo - Hoblovací stroje (EN)
      Bernardo - Pily (EN)
      Bernardo - Frézky (EN)
      Bernardo - Kombinované stroje (EN)
      Bernardo - Vrtací, víceúčelové vyvrtávací a dlabací stroje (EN)
      Bernardo - Soustruhy na dřevo (EN)
      Bernardo - Pásové pily na dřevo (EN)
      Bernardo - Brusky (EN)
      Bernardo - Lapače prachu (EN)
      Bernardo - Podavače (EN)
      Bernardo - Ohýbačky hran (EN)
      Bernardo - Štípačky na dřevo (EN)
      Bernardo - Pracovní stoly (EN)
      Bernardo - Stolní vrézky, stojany a příslušenství - různé (EN)
      Bernardo - Zpracování plechů (EN)
      Bernardo - Soustružnická sklíčidla a příslušenství (EN)
      Bernardo - Bezpečnostní prvky (EN)

      Dokumenty

      Ostatní

      Produkt doposud nikdo nehodnotil.

      Souhlas se zpracováním osobních údajů je povinné pole

      Zavřít

      Hodnocení odeslané

      Po schválení obsahu bude zobrazeno u produktu.

      Požadavek nemůže být momentálně odeslán. Zkuste to znovu později.
      Chcete nám něco sdělit o našich produktech nebo e-shopu? Neváhejte napsat.
      Zpráva byla odeslána

      Košík obsahuje nepovolené položky

      Košík je prázdný

      Soubor stažen