Kategorie
Značky
    Blog
      Produkty
      Nenalezeny žádné produkty.

      Menu
      Stránky
      0
      Porovnat

      4čelisťové nesoustředné sklíčidlo Bernardo K72-800/D11, DIN 55029 (BER215076)

      4čelisťové nesoustředné sklíčidlo Bernardo K72-800/D11, DIN 55029 (BER215076)

      Bernardo
      E-shop: BER215076
      Katalog: 21-5076
      EAN: 9009468026882
      Čtyřčelisťové nesoustředné sklíčidlo Bernardo K72-800/D11 podle DIN 55029 umožňuje upínání nepravidelných obrobků a je vhodné pro soustruhy s přírubou D11.
      Není skladem (0 KS)
      Hlídat dostupnostDotaz/Poptat
      124 267,00 Kč
      102 700,00 Kč bez DPH
      Stáhnout

      4čelisťové nesoustředné sklíčidlo Bernardo K72-800/D11, DIN 55029 (BER215076)

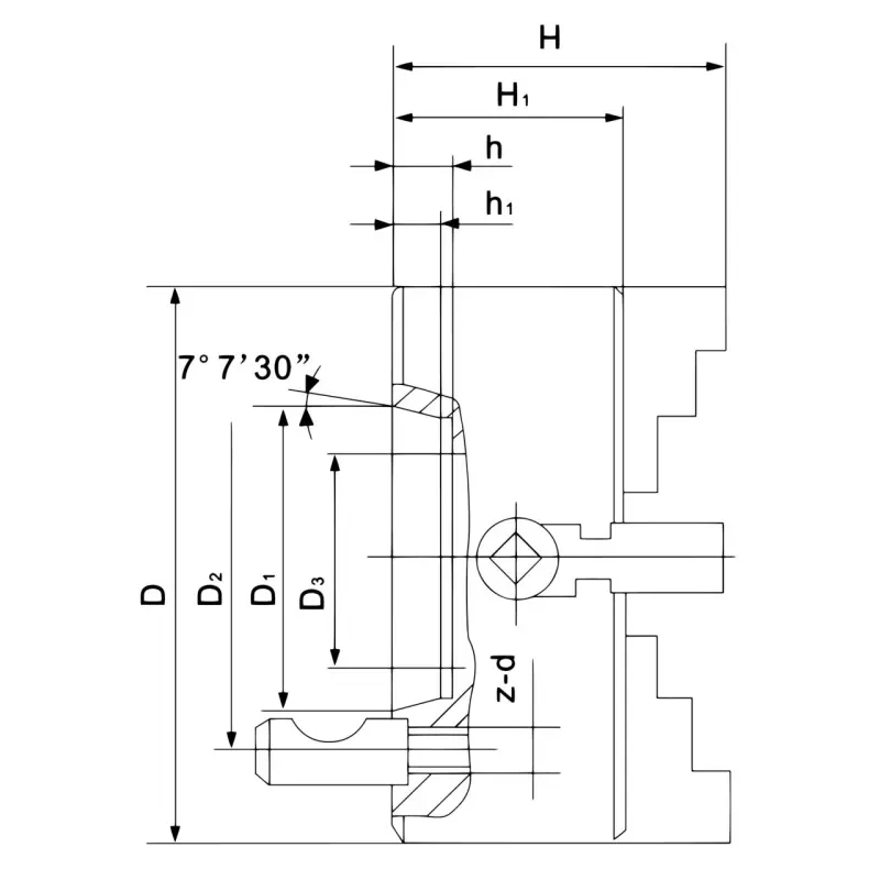
      • Velikost sklíčidla [mm]: 800/D11
      • Průměr D [mm]: 800
      • Kužel: 11
      • Průměr D1 [mm]: 196,869
      • Průměr D2 [mm]: 235
      • Průměr D3 [mm]: 180
      • Výška H1 [mm]: 135
      • Max. otáčky [U.min-1]: 180
      • Hmotnost [kg]: 174

      4čelisťové litinové nesoustředné sklíčidlo Bernardo vhodné k upínání asymetrických a pravoúhlých obrobků na soustruzích, DIN 55029

      • Čtyřčelisťové nesoustředné sklíčidlo z litiny
      • S přímým upínáním Camlock podle DIN 55029
      • Čtyři jednotlivě nastavitelné upínací čelisti
      • Od průměru 300 mm jsou vyfrézovány T-drážky
      • Včetně sady kalených monoblokových čelistí
      • 1 upínací klička a příslušné upevňovací šrouby nebo čepy dle druhu sklíčidla

      Videa

      {common|4|manuals}

      {common|4|productList}

      Katalogy

      Bernardo - Kovoobrábění (CZ)
      Bernardo - Vrtačky (CZ)
      Bernardo - Magnetické vrtačky (CZ)
      Bernardo - Závitořezné vrtačky (CZ)
      Bernardo - Vrtačky (CZ)
      Bernardo - Vrtačko-frézky (CZ)
      Bernardo - Soustruhy (CZ)
      Bernardo - Pásové a katoučové pily (CZ)
      Bernardo - Brusky (CZ)
      Bernardo - Soustruhy na dřevo (DE)
      Bernardo - Soustruhy (CZ)
      Bernardo - Brusky (CZ)
      Bernardo - Vrtačko-frézky (CZ)
      Bernardo - Pásové a kotoučové pily (CZ)
      Akce 14. 10.2020 - 31. 12.2020
      Bernardo - Magnetické vrtačky (CZ)
      Bernardo - Závitořezné vrtačky (CZ)
      Bernardo - Vrtačky (CZ)
      Bernardo - Vrtačko-frézky (CZ)
      Bernardo - Soustruhy (CZ)
      Bernardo - Pásové a kotoučové pily (CZ)
      Bernardo - Brusky
      Bernardo - předsavení společnosti (EN)
      Bernardo - Magnetické vrtačky (EN)
      Bernardo - Závitníky (EN)
      Bernardo - Vrtačky (EN)
      Bernardo - Vrtací a frézovací stroje (EN)
      Bernardo - Soustruhy (EN)
      Bernardo - Pásové pily (EN)
      Bernardo - Brusky (EN)
      Bernardo - Hoblovací stroje (EN)
      Bernardo - Pily (EN)
      Bernardo - Frézky (EN)
      Bernardo - Kombinované stroje (EN)
      Bernardo - Vrtací, víceúčelové vyvrtávací a dlabací stroje (EN)
      Bernardo - Soustruhy na dřevo (EN)
      Bernardo - Pásové pily na dřevo (EN)
      Bernardo - Brusky (EN)
      Bernardo - Lapače prachu (EN)
      Bernardo - Podavače (EN)
      Bernardo - Ohýbačky hran (EN)
      Bernardo - Štípačky na dřevo (EN)
      Bernardo - Pracovní stoly (EN)
      Bernardo - Stolní vrézky, stojany a příslušenství - různé (EN)
      Bernardo - Zpracování plechů (EN)
      Bernardo - Soustružnická sklíčidla a příslušenství (EN)
      Bernardo - Bezpečnostní prvky (EN)

      Dokumenty

      Ostatní

      Produkt doposud nikdo nehodnotil.

      Souhlas se zpracováním osobních údajů je povinné pole

      Zavřít

      Hodnocení odeslané

      Po schválení obsahu bude zobrazeno u produktu.

      Požadavek nemůže být momentálně odeslán. Zkuste to znovu později.
      Chcete nám něco sdělit o našich produktech nebo e-shopu? Neváhejte napsat.
      Zpráva byla odeslána

      Košík obsahuje nepovolené položky

      Košík je prázdný

      Soubor stažen