Kategorie
Značky
    Blog
      Produkty
      Nenalezeny žádné produkty.

      Menu
      Stránky0Porovnat
      4čelisťové sklíčidlo Bernardo Standard DK12-400/D6, DIN 55029, litinové (BER210841)

      4čelisťové sklíčidlo Bernardo Standard DK12-400/D6, DIN 55029, litinové (BER210841)

      Bernardo
      E-shop: BER210841
      Katalog: 21-0841
      EAN: 9009468019112
      Litinové 4čelisťové sklíčidlo Bernardo Standard DK12-400/D6 podle DIN 55029 umožňuje samostatné upínání obrobků a je vhodné pro soustruhy s upínacím průměrem 400 mm. Robustní konstrukce zajišťuje stabilitu při obrábění a dlouhou životnost.
      Není skladem (0 KS)
      Hlídat dostupnostDotaz/Poptat
      37 122,80 Kč
      30 680,00 Kč bez DPH
      Stáhnout

      4čelisťové sklíčidlo Bernardo Standard DK12-400/D6, DIN 55029, litinové (BER210841)

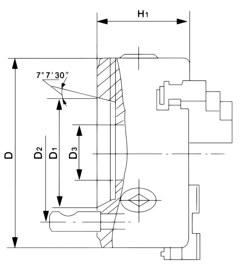
      • Průměr [mm]: 400
      • Kužel: 6
      • Průměr D min./max. [mm]: 106,375 / 106,390
      • Průměr E [mm]: 103
      • Výška B [mm]: 126
      • Výška B1 [mm]: 134,8
      • Roztečná kružnice pro šrouby F [mm]: 133,4
      • Šroubů [ks]: 6
      • Hmotnost [kg]: 101

      Sklíčidlo Bernardo 4čelisťové Standard DK12/D6, DIN 55029, litina

      Součásti dodávky sklíčidla

      • 1 sada - 4 otočné čelisti s vnitřním odstupňováním
      • 1 sada - 4 vrtané čelisti s vnějším odstupňováním
      • Upínací klička
      • Příslušné upevňovací šrouby nebo čepy dle druhu sklíčidla

      Videa

      {common|4|manuals}

      {common|4|productList}

      Katalogy

      Bernardo - Kovoobrábění (CZ)
      Bernardo - Vrtačky (CZ)
      Bernardo - Magnetické vrtačky (CZ)
      Bernardo - Závitořezné vrtačky (CZ)
      Bernardo - Vrtačky (CZ)
      Bernardo - Vrtačko-frézky (CZ)
      Bernardo - Soustruhy (CZ)
      Bernardo - Pásové a katoučové pily (CZ)
      Bernardo - Brusky (CZ)
      Bernardo - Soustruhy na dřevo (DE)
      Bernardo - Soustruhy (CZ)
      Bernardo - Brusky (CZ)
      Bernardo - Vrtačko-frézky (CZ)
      Bernardo - Pásové a kotoučové pily (CZ)
      Akce 14. 10.2020 - 31. 12.2020
      Bernardo - Magnetické vrtačky (CZ)
      Bernardo - Závitořezné vrtačky (CZ)
      Bernardo - Vrtačky (CZ)
      Bernardo - Vrtačko-frézky (CZ)
      Bernardo - Soustruhy (CZ)
      Bernardo - Pásové a kotoučové pily (CZ)
      Bernardo - Brusky
      Bernardo - předsavení společnosti (EN)
      Bernardo - Magnetické vrtačky (EN)
      Bernardo - Závitníky (EN)
      Bernardo - Vrtačky (EN)
      Bernardo - Vrtací a frézovací stroje (EN)
      Bernardo - Soustruhy (EN)
      Bernardo - Pásové pily (EN)
      Bernardo - Brusky (EN)
      Bernardo - Hoblovací stroje (EN)
      Bernardo - Pily (EN)
      Bernardo - Frézky (EN)
      Bernardo - Kombinované stroje (EN)
      Bernardo - Vrtací, víceúčelové vyvrtávací a dlabací stroje (EN)
      Bernardo - Soustruhy na dřevo (EN)
      Bernardo - Pásové pily na dřevo (EN)
      Bernardo - Brusky (EN)
      Bernardo - Lapače prachu (EN)
      Bernardo - Podavače (EN)
      Bernardo - Ohýbačky hran (EN)
      Bernardo - Štípačky na dřevo (EN)
      Bernardo - Pracovní stoly (EN)
      Bernardo - Stolní vrézky, stojany a příslušenství - různé (EN)
      Bernardo - Zpracování plechů (EN)
      Bernardo - Soustružnická sklíčidla a příslušenství (EN)
      Bernardo - Bezpečnostní prvky (EN)

      Dokumenty

      Ostatní

      Produkt doposud nikdo nehodnotil.

      Souhlas se zpracováním osobních údajů je povinné pole

      Zavřít

      Hodnocení odeslané

      Po schválení obsahu bude zobrazeno u produktu.

      Požadavek nemůže být momentálně odeslán. Zkuste to znovu později.
      Chcete nám něco sdělit o našich produktech nebo e-shopu? Neváhejte napsat.
      Zpráva byla odeslána

      Košík obsahuje nepovolené položky

      Košík je prázdný

      Soubor stažen