Boukal.CZ
Blog
    Produkty
    Nenalezeny žádné produkty.

    Menu
    Stránky0Porovnat
    Zástrčná bitová hlavice 3/4 6hran 22 mm Koken 6012M.75-22 (KOK6012M-75 22mm)

    Zástrčná bitová hlavice 3/4 6hran 22 mm Koken 6012M.75-22 (KOK6012M-75 22mm)

    E-shop: KOK6012M-75 22mm
    Katalog: 6012M.75-22
    EAN: 4991644145355
    Rázová zástrčná kovaná hlavice Koken - šestihranná. Chrom-molybden, mořeno
    Do 10 dnů  (03.05. 2026) (0 KS)

    Hlídat dostupnostDotaz/Poptat
    601,13 Kč
    496,80 Kč bez DPH
    Stáhnout

    Zástrčná bitová hlavice 3/4 6hran 22 mm Koken 6012M.75-22 (KOK6012M-75 22mm)

    Zástrčná bitová hlavice Ko-ken s upínacím/pohonným čtyřhranem 3/4“

    • Impact - rázové provedení
    • Vyrobeno z vysoce kvalitní legované oceli (Chrom-molybdenová ocel)
    • Kováno
    • Povrchově mořeno: fosfátovaný mangan
    • Tento produkt je metrické/palcové provedení nástrčné hlavice s upínací velikostí 3/4“
    • Navrženo tak, aby byl ideální pro automobilové a motocyklové aplikace, a je ideální pro profesionální mechaniky i pro kutily
    • Nárazuvzdorná hlava hlavice/klíče zvládne značný krouticí moment, aniž by poškodila elegantní a odolnou konstrukci
    • Řada rázových zástrčných hlavic je určena výhradně pro použití s ​​rázovými utahováky nebo elektrickým nářadím s vysokým točivým momentem a vyznačuje se povrchovou úpravou s manganovým fosfátem
    • Široký výběr velikostí hlavic a pohonů: od 1/4“ do 3 1/2“
    • K dispozici jsou také prodlužovací klouby, klouby a adaptéry pro rázové utahování nebo aplikace s vysokým krouticím momentem
    • Pohonný konec je navržen tak, aby splňoval normu DIN
    • K dispozici jsou varianty s pojistkou s čepem, O-kroužkem nebo kuličkou

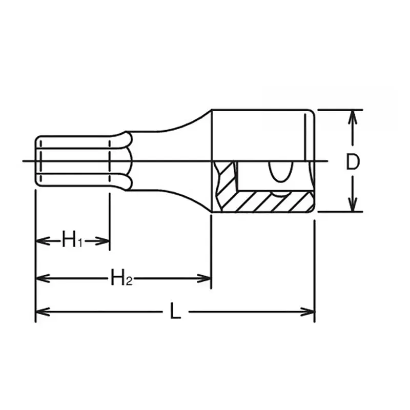
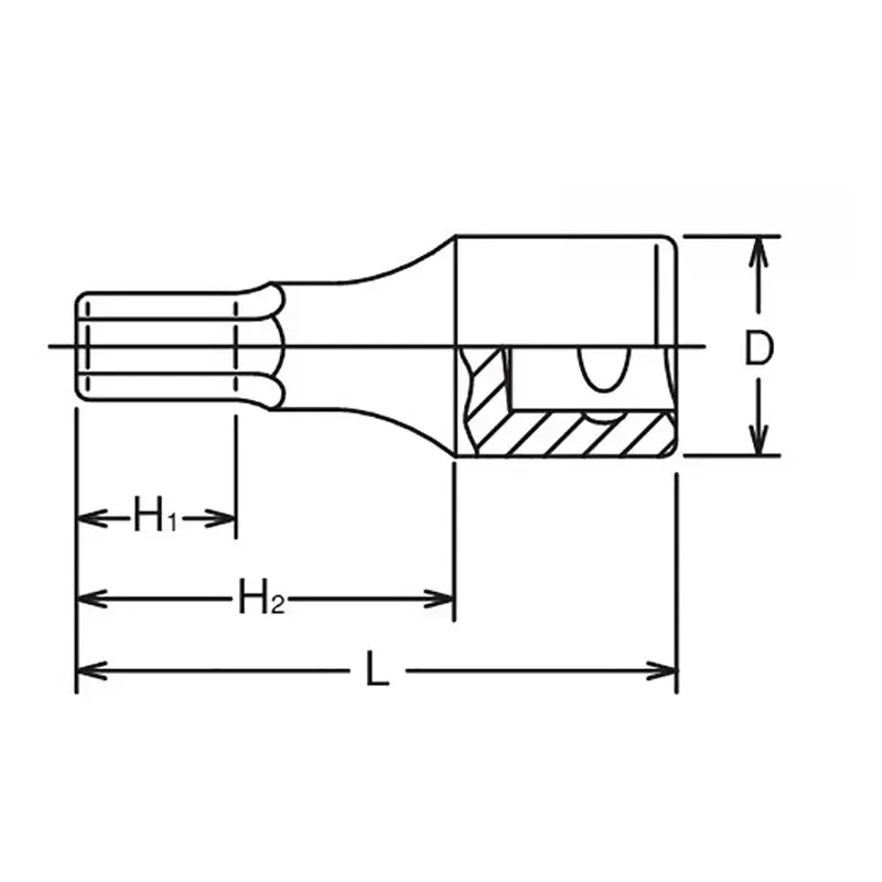
    Technické parametry hlavice Koken

    • Materiál: chrom-molybdenová ocel
    • Kováno
    • Povrch: fosfátovaný mangan
    • Pohon - vnitřní čtyřhran [“]: 3/4
    • Velikost klíče - vnější dvanáctihran [mm]: 22
    • Vnější průměr hlavice [mm]: 38
    • Délka [mm]: 75
    • Hmotnost [kg]: 0,34
    Produkt jste již hodnotil
    Požadavek nemůže být momentálně odeslán. Zkuste to znovu později.
    Chcete nám něco sdělit o našich produktech nebo e-shopu? Neváhejte napsat.
    Zpráva byla odeslána

    Košík obsahuje nepovolené položky

    Košík je prázdný

    Soubor stažen