Kategorie
Značky
    Blog
      Produkty
      Nenalezeny žádné produkty.

      Menu
      Stránky
      0
      Porovnat

      Vnější čelisti Bernardo OJ-PS3-400 (BER213367)

      Vnější čelisti Bernardo OJ-PS3-400 (BER213367)

      Bernardo
      E-shop: BER213367
      Katalog: 21-3367
      EAN: 9009468025106
      Čelisti vnější OJ-PS3-400
      Není skladem (0 KS)
      Hlídat dostupnostDotaz/Poptat
      11 451,44 Kč
      9 464,00 Kč bez DPH
      Stáhnout

      Vnější čelisti Bernardo OJ-PS3-400 (BER213367)

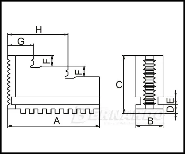
      • Velikost sklíčidla [mm]: 400
      • Rozměr A [mm]: 145
      • Rozměr B [mm]: 36
      • Rozměr C [mm]: 92
      • Rozměr D [mm]: 15
      • Rozměr E [mm]: 14
      • Rozměr F [mm]: 22
      • Rozměr G [mm]: 36
      • Rozměr H [mm]: 99

      Vnější čelisti Bernardo pro 3čelisťové sklíčidlo

      Videa

      {common|4|manuals}

      {common|4|productList}

      Katalogy

      Bernardo - Kovoobrábění (CZ)
      Bernardo - Vrtačky (CZ)
      Bernardo - Magnetické vrtačky (CZ)
      Bernardo - Závitořezné vrtačky (CZ)
      Bernardo - Vrtačky (CZ)
      Bernardo - Vrtačko-frézky (CZ)
      Bernardo - Soustruhy (CZ)
      Bernardo - Pásové a katoučové pily (CZ)
      Bernardo - Brusky (CZ)
      Bernardo - Soustruhy na dřevo (DE)
      Bernardo - Soustruhy (CZ)
      Bernardo - Brusky (CZ)
      Bernardo - Vrtačko-frézky (CZ)
      Bernardo - Pásové a kotoučové pily (CZ)
      Akce 14. 10.2020 - 31. 12.2020
      Bernardo - Magnetické vrtačky (CZ)
      Bernardo - Závitořezné vrtačky (CZ)
      Bernardo - Vrtačky (CZ)
      Bernardo - Vrtačko-frézky (CZ)
      Bernardo - Soustruhy (CZ)
      Bernardo - Pásové a kotoučové pily (CZ)
      Bernardo - Brusky
      Bernardo - předsavení společnosti (EN)
      Bernardo - Magnetické vrtačky (EN)
      Bernardo - Závitníky (EN)
      Bernardo - Vrtačky (EN)
      Bernardo - Vrtací a frézovací stroje (EN)
      Bernardo - Soustruhy (EN)
      Bernardo - Pásové pily (EN)
      Bernardo - Brusky (EN)
      Bernardo - Hoblovací stroje (EN)
      Bernardo - Pily (EN)
      Bernardo - Frézky (EN)
      Bernardo - Kombinované stroje (EN)
      Bernardo - Vrtací, víceúčelové vyvrtávací a dlabací stroje (EN)
      Bernardo - Soustruhy na dřevo (EN)
      Bernardo - Pásové pily na dřevo (EN)
      Bernardo - Brusky (EN)
      Bernardo - Lapače prachu (EN)
      Bernardo - Podavače (EN)
      Bernardo - Ohýbačky hran (EN)
      Bernardo - Štípačky na dřevo (EN)
      Bernardo - Pracovní stoly (EN)
      Bernardo - Stolní vrézky, stojany a příslušenství - různé (EN)
      Bernardo - Zpracování plechů (EN)
      Bernardo - Soustružnická sklíčidla a příslušenství (EN)
      Bernardo - Bezpečnostní prvky (EN)

      Dokumenty

      Ostatní

      Produkt doposud nikdo nehodnotil.

      Souhlas se zpracováním osobních údajů je povinné pole

      Zavřít

      Hodnocení odeslané

      Po schválení obsahu bude zobrazeno u produktu.

      Požadavek nemůže být momentálně odeslán. Zkuste to znovu později.
      Chcete nám něco sdělit o našich produktech nebo e-shopu? Neváhejte napsat.
      Zpráva byla odeslána

      Košík obsahuje nepovolené položky

      Košík je prázdný

      Soubor stažen